Описание
Энергоэффективный насос IMP PUMPS NMT (New Motor Technology) MAX II 50-180 F280 с электронным управлением для систем отопления, кондиционирования воздуха, охлаждения и коммунального водоснабжения.
В насосе постоянно измеряются давление и расход, скорость насоса автоматически регулируется в соответствии с выбранным режимом работы насоса.
-светодиодный дисплей для управления;
-автоматический режим;
-оперативная адаптация к особенностям системы;
-пропорционально регулируемое и постоянное давление;
-постоянная скорость;
-ночной режим;
-автоматическое удаление воздуха;
-возможность подключения модуля связи NMTC (опция): Ethernet, Modbus RTU, аналоговый вход управления 0–10 В, 3 аналоговых входа/выхода, 1 релейный выход;
-допустимые рабочие среды: вода, водно-гликолевые смеси; при содержании гликоля более 20 % следует уточнить гидравлическую характеристику и требуемую мощность насоса.
Область применения
отопление
вентиляция
кондиционирование
"теплые полы"
Технические характеристики
Гидравлические
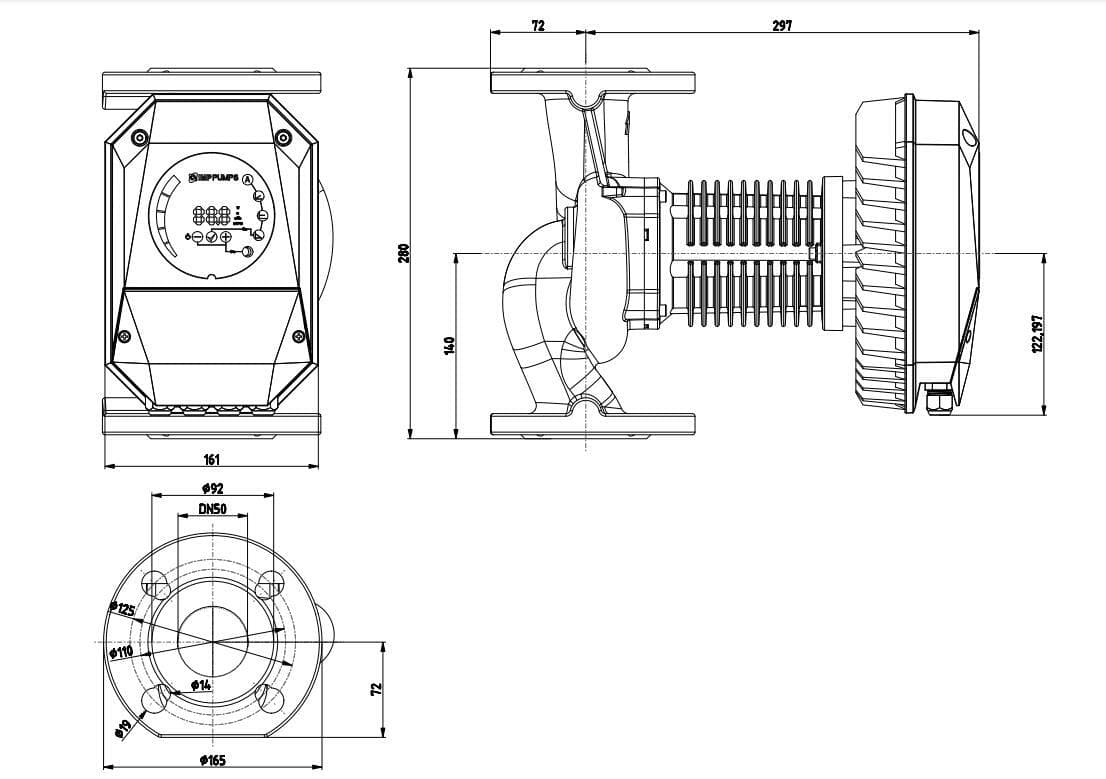
Диаметр DN, мм:50
Напор H, м, макс:15,9
Расход Q, м³/ч, макс:42
Напор H, м, ном:8,1
Расход Q, м³/ч, ном:21
Мощности
Мощность P, кВт, макс:0,82
Ограничения
Рабочая температура T, °C:от -10 до 110
Рабочее давление P, бар, макс:10
Управление
Тип управления электродвигателем:электронное управление
Электрические
Напряжение U, В, ном:1~220
Степень защиты:IP44
Материалы, цвета и вес
Вес, кг:14,5
Корпус насоса:чугун
Рабочее колесо:пластик (PES GF 30)
Вал:нержавеющая сталь (AISI420)
Подшипники:графит
Присоединения и размеры
Тип присоединения:фланцевое
Монтажная длина, мм:280
Присоединение фланцевое DN, мм:50
Документы/Загрузки