Описание
Энергоэффективный насос IMP PUMPS NMT (New Motor Technology) NMT MAX II 65/180 F340 с электронным управлением для систем отопления, кондиционирования воздуха, охлаждения и коммунального водоснабжения.
В насосе постоянно измеряются давление и расход, скорость насоса автоматически регулируется в соответствии с выбранным режимом работы насоса.
Область применения
отопление
вентиляция
кондиционирование
"теплые полы"
Технические характеристики
Гидравлические
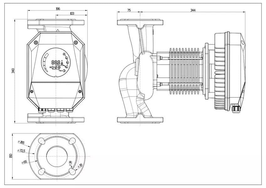
Диаметр DN, мм:65
Напор H, м, макс:18,5
Расход Q, м³/ч, макс:57,4
Напор H, м, ном:12
Расход Q, м³/ч, ном:30
Мощности
Мощность P, кВт, макс:1,55
Ограничения
Рабочая температура T, °C:от -10 до 110
Рабочее давление P, бар, макс:10
Управление
Тип управления электродвигателем:электронное управление
Электрические
Напряжение U, В, ном:1~220
Степень защиты:IP44
Материалы, цвета и вес
Вес, кг:23,4
Корпус насоса:чугун
Рабочее колесо:пластик (PES GF 30)
Вал:нержавеющая сталь (AISI420)
Подшипники:графит
Присоединения и размеры
Тип присоединения:фланцевое
Монтажная длина, мм:340
Присоединение фланцевое DN, мм:65
Документы/Загрузки